


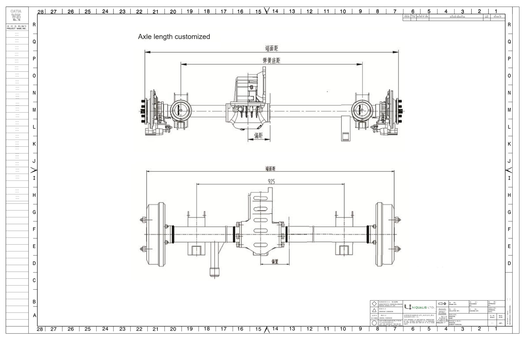
Electric Axle
Description :
1.Electric rear axle for custom width and variable speed hydraulic brake
2.gear ratio options 1:41
3.Integral design,thicken reinforced gearbox, CNC technology
4.synchronous gear structure,Gear module Increased
5.Integral ductile iron differential case,semi-axis planetary gear module increased
Product Features
1.The gearbox with 40GrMnTi material, HRC22-28 carburized layer, HRC40-45 heat treatment
2.Higher precision, lower noise, structural durabilities
3.Simplified structure,Small power consumption, strong endurance
4.High efficiency permanent magnet motor and controller system
5.Enables continuous operation in wet conditions
6.controller with leakage detection system
7.Permanent magnet synchronous motor delivers high efficiency
Description :
1.Electric rear axle for custom width and variable speed hydraulic brake
2.gear ratio options 1:30, 1:41
3.Integral design,thicken reinforced gearbox, CNC technology
4.synchronous gear structure,Gear module Increased
5.Integral ductile iron differential case,semi-axis planetary gear module increased
Product Features
1.The gearbox with 40GrMnTi material, HRC22-28 carburized layer, HRC40-45 heat treatment,
2.Higher precision, lower noise, structural durabilities.
3.Simplified structure,Small power consumption, strong endurance
4.A highly robust towing solution for indoor/outdoor operation. This model can transport payloads of up to 28 tons.
5.Powerful, maintenance-free 5.48V/60V/72V 3-phase AC drive motor or PMSM enables powerful acceleration and high end speeds.
6.Automatic parking brake with roll-back protection.
7.Compatibility with different trailer types.
Description :
1.Electric rear axle for custom width and variable speed hydraulic brake
2.gear ratio options 1:10, 1:12, 1:16, 1:18
3.Integral design,thicken reinforced gearbox, CNC technology
4.synchronous gear structure,Gear module Increased
5.Integral ductile iron differential case,semi-axis planetary gear module increased
Product Features
1.The gearbox with 40GrMnTi material, HRC22-28 carburized layer, HRC40-45 heat treatment,
2.Higher precision, lower noise, structural durabilities.
3.Simplified structure,Small power consumption, strong endurance
Products Application
Description :
1.Electric rear axle for custom width and variable speed hydraulic brake,with Disk or Drum brake.
2.gear ratio options 1:10, 1:12, 1:16, 1:18
3.Integral design,thicken reinforced gearbox, CNC technology
4.synchronous gear structure,Gear module Increased
5.Integral ductile iron differential case,semi-axis planetary gear module increased
Product Features
1.The gearbox with 40GrMnTi material, HRC22-28 carburized layer, HRC40-45 heat treatment,
2.Higher precision, lower noise, structural durabilities.
3.Simplified structure,Small power consumption, strong endurance
Description :
Rear axle width can be customized as OEM requested.
Disk or drum brake diamter option: 160mm/180mm/220mm/250mm/280mm
Product Features
1.Rear drive axle transmission with Drum or Disk brake
2.Differential gearbox input shaft is connected by square flange with 18 teeth male spline shaft with pressure angle of 30
3. Gear ratio options :1:18,1:33,1:41
4. .Materials:Carbon Steel, Stainless steel,etc.
5. Brake diamter options : 180mm,220mm diameter of hub drum brake or disc brake
6. Totally rated loading weight: 500kg-2ton.
7. Suitable application types of vehicle:electric golf cart, electric sedan,electric sightseeing car,electric police car.
Small power consumption, strong endurance
Products Application
Description :
Rear axle width can be customized as OEM requested.
Product Features
1. Rear drive axle transmission
2. 24V/36V/48V optional
3. Gear ratio 1:33
4. .Materials:Carbon Steel, Stainless steel,etc.
5. Totally rated loading weight: 300kg-1ton.
Small power consumption, strong endurance
Description :
Available 12 up to 28 inch.
1. Brushless gearless motor: gearless means direct drive, quiet, high efficiency, long working life, maintenance free.
2. Built-in sine-wave controller:smooth riding control, no messy exposed wirings, easy to install, neat looking bikes.
3. Strong torque: acheived by stronger magnets, thinner 0.35mm stacked lamination, innovative motor design, high capacity MOSFETs.
4. Open voltages 24/36/48Vdc: user adjustable power and speed, self upgradable from 24V to 36V or 48V to meet local regulations.
5. Built-in cooling fan: effective heat dissipating, better performance for motor and controller, higher climbing capability.
6. Programmable controller: control parameters programming via USB cable, customizable for different EV applications, eBike, Scooter and Carts .
Products Application
Description :
1.Designed for Electric Pallet Trucks and Tow Tractor.
2.Uniqualis electric drive systems for industrial vehicles, including motor, drive, precision drive, electromagnetic brake, steering wheel assembly.
3.Electric drive system range from 0.4 kw to 15 kW.Test capacity up to 4500rpm@300Nm
4.Consistent Tow Tractor Performance: Electromagnetic braking system uses the power of the high-torque traction motor to provide consistent, reliable, long-term braking performance.
5.A 48 V electrical system and drive unit provide the power to move heavy loads. Industry-leading energy efficiency means you'll use up to 39% less energy than the competition.
Product Features
1.Robust steel construction provides a solid foundation and exceptional component protection, for reliable performance of the compact pallet truck - shift after shift.
2.The rubber bumper provides extra protection to the tow tractor's apron and chassis in high traffic environments.
3.Rubber Drive Tyre: A rubber drive tyre is available for compact pallet truck, providing improved traction and stability especially in outdoor applications and on uneven surfaces.
4.Higher precision, lower noise, structural durabilities.
5.With a load capacity up to 1500 kg, an upgraded drive unit and larger drive wheel are available.
Products Application
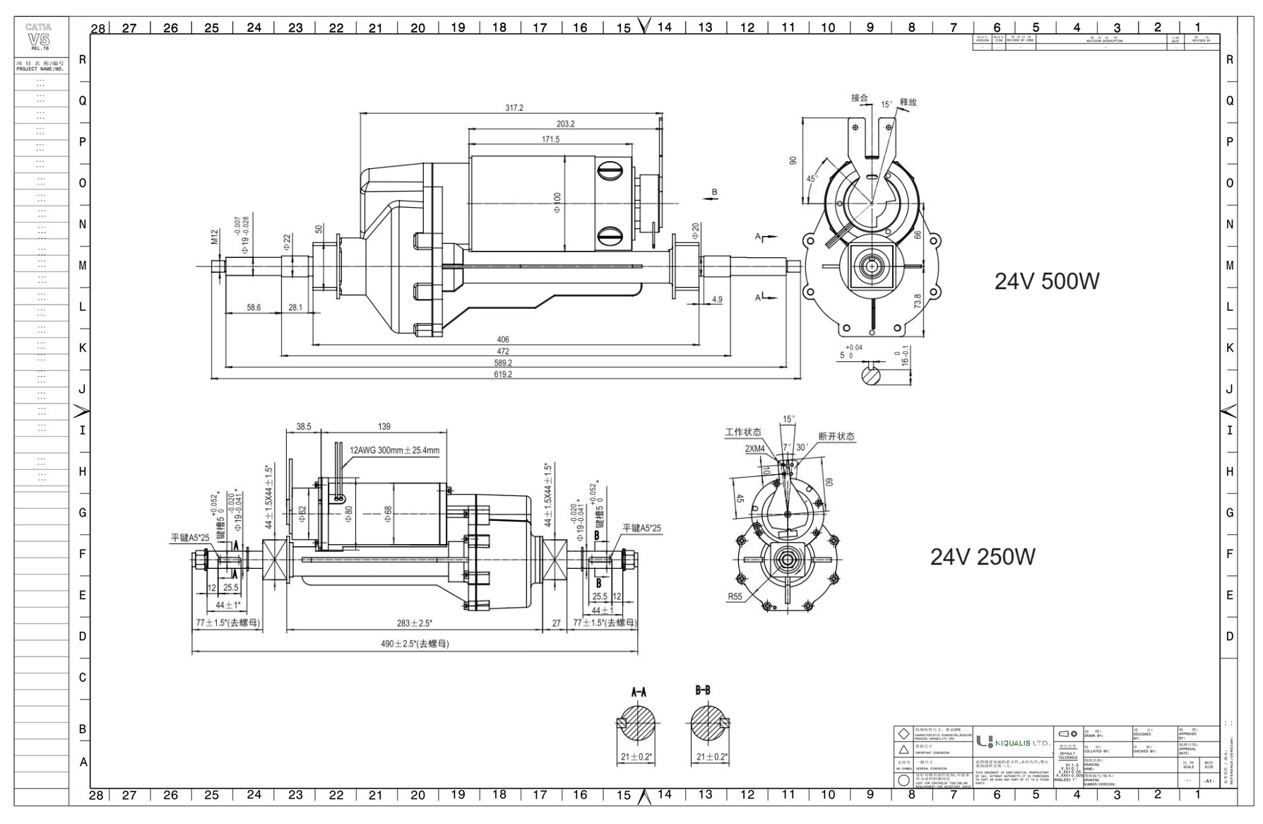
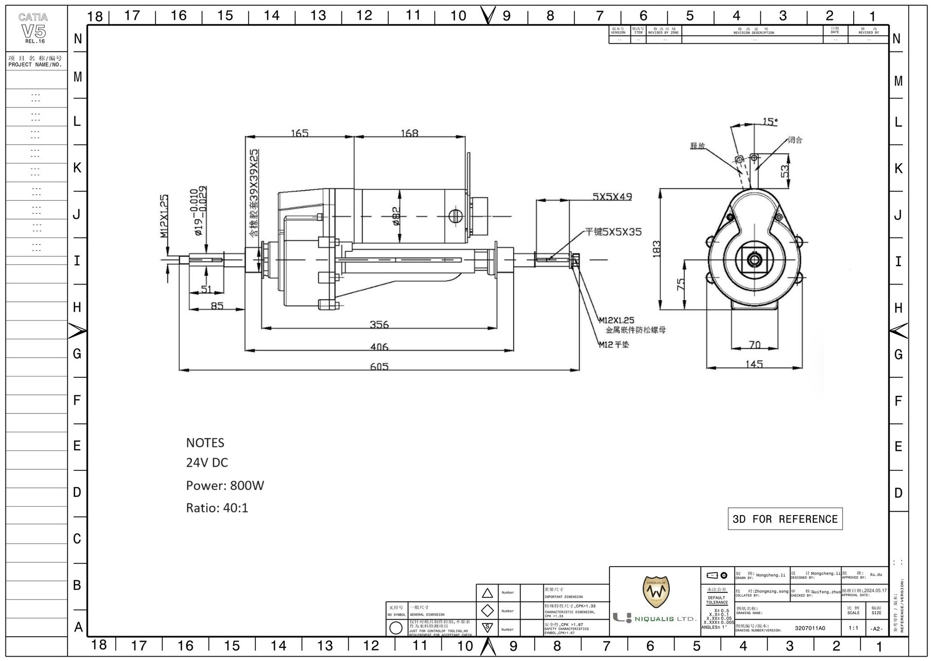
Description :
1.AC or Brushless driving system : AC motor (0.15kW-20kW), Brushless motors (0.15kW-20kW) and controller.
2.The AC motor drives the small electric vehicle motor differential assembly and the differential rear axle.
3. Voltage: 24V,36V,48V,60V,72V.
4. Normal Power: 1KW,1.2KW,3KW,3.5KW,5KW and can be customized.
Description :
1.Front axle with steering parts.
2.Width can be customized without brakes.
3. Suitable for Drum brakes and Disc Brakes, Hydraulic disk brake.
4. The front steering axle is for front driving of go kart or other front steering axle.
Product Features
1.Brake drum can be 180mm,160mm or 220mm
2.Axle length is made according to client reqquirement.
3.Axle length from 600mm to max 1200mm,
4.axle brake is smaller disc brake,and usually vehicle speed is not very high,usually its speed is 40-50km/h
5.Small power consumption, strong endurance
Description :
1.Front axle with steering parts.
2.Width can be customized without brakes.
3. Suitable for Drum brakes and Disc Brakes.
4. The front steering axle is for front driving of go kart or other front steering axle.
Product Features
1.Brake drum can be 180mm,160mm or 220mm
2.Axle length is made according to client reqquirement.
3.Axle length from 600mm to max 1200mm,
4.axle brake is smaller disc brake,and usually vehicle speed is not very high,usually its speed is 40-50km/h
5.Small power consumption, strong endurance
WHY CHOOSE UNIQUALIS MOTOR
Electric Drive Axle
How to Troubleshoot Common Issues with a Electric Rear Axle
Germany Phone:
+49-(0)160 5843578
China Phone:
+86 159 2187 7296
Email : uniqualis@gmail.com
WhatsApp:
+86 159 2187 7296
Skype : Uniqualis




















































